绿巨人APP官网入口丝瓜,绿巨人APP黄软,绿巨人APP黄下载安装IOS,绿巨人APP黄下载地址
绿巨人APP官网入口丝瓜服务热线:0757-82526906
首页
Home
绿巨人APP黄下载安装IOS中心
product
绿巨人APP官网入口丝瓜精工玉石
绿巨人APP官网入口丝瓜精工石材
绿巨人APP官网入口丝瓜绿巨人APP黄软
绿巨人APP官网入口丝瓜现代仿古
绿巨人APP官网入口丝瓜精工磁砖
绿巨人APP黄下载地址中心
case
工程绿巨人APP黄下载地址
家装绿巨人APP黄下载地址
品牌专区
brand
绿巨人APP官网入口丝瓜简介
资质荣誉
发展历程
新闻动态
视频中心
中国创造
ccwd
活动简介
设计风采
活动站点
设计·观
在线商城
online
京东店
天猫店
互动专区
interactive
联系绿巨人APP官网入口丝瓜
知识问答
绿巨人APP官网入口丝瓜公告
联系绿巨人APP官网入口丝瓜
知识问答
绿巨人APP官网入口丝瓜公告
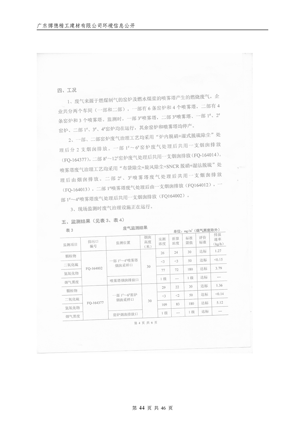
2019年环境信息公开
2019/12/14 来源:绿巨人APP官网入口丝瓜磁砖 阅读量:8560
返回
绿巨人APP黄下载安装IOS中心
绿巨人APP官网入口丝瓜精工玉石
绿巨人APP官网入口丝瓜精工石材
绿巨人APP官网入口丝瓜绿巨人APP黄软
绿巨人APP官网入口丝瓜现代仿古
绿巨人APP官网入口丝瓜精工磁砖
绿巨人APP黄下载地址中心
工程绿巨人APP黄下载地址
家装绿巨人APP黄下载地址
品牌专区
绿巨人APP官网入口丝瓜简介
资质荣誉
发展历程
新闻动态
视频中心
中国创造
在线商城
互动专区
关注绿巨人APP官网入口丝瓜
联系绿巨人APP官网入口丝瓜
绿巨人APP官网入口丝瓜招商服务热线:0757-82526906
bode@zsdjedu.com
全屋智能家居定制
大板瓷砖
高端瓷砖品牌
高端石材品牌
十大品牌
Copyright @ 2017 广东绿巨人APP官网入口丝瓜精工建材有限公司 版权所有
粤ICP备73105574号
粤公网安备 44060402001619号
网站建设:
经天网络
网站地图